Para aberturas na laje é importante seguir a regra da NBR 6118:14.
- As dimensões da abertura devem corresponder no máximo a 1/10 do vão menor (lx);
- A distância entre a face de uma abertura e o eixo teórico de apoio da laje deve ser igual ou maior que 1/4 do vão, na direção considerada;
- A distância entre faces de aberturas adjacentes deve ser maior que a metade do menor vão.
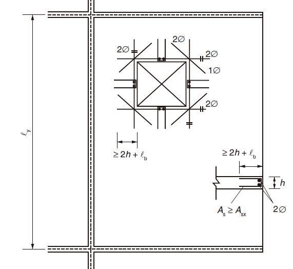
Abaixo segue o croqui da montagem da ferragem da abertura e do fechamento de bordo livre, as bitolas da ferragem devem ser superior a As da armadura principal.
Para fechamento de bordo dos beirais é necessário montar uma forma de de madeira e passar duas ferragens corridas em todo perímetro.






Você precisa fazer login para comentar.